電子工作のネタとオタ話が中心。けっこういい加減に設計したり回路図描いたりするので、情報を鵜呑みしてICが焼けたりしても責任持ちませんw ときどき腐った発言します。
Twitter
プロフィール
HN:
なかG
年齢:
37
HP:
性別:
非公開
誕生日:
1988/07/03
職業:
愛の戦士
趣味:
TRPG ぬるヲタ業 読書
自己紹介:
TRPGと2次元の世界を愛する大学2年生、14歳です(ぇ
とは言っても最近は忙しさと萌えカルチャーの拡大もあって、ヲタク業界から離れつつあります;
好きな漫画家:渡瀬悠宇
好きな小説家:水野良 神坂一
好きなコンピュータゲーム:ぷよぷよ タクティクスオウガ
好きなTRPG:ガープス(3版) T&T(7版)
好きなプレイヤー:水野良 田中天
好きなデザイナー:清松みゆき 矢野俊策
好きな俳優:小田井涼平 小沢真珠
好きな声優:林原めぐみ 石田彰
好きなアニメ:機動戦士ガンダムシリーズ(宇宙世紀)
好きなマンガ:幽遊白書 櫻狩り
とは言っても最近は忙しさと萌えカルチャーの拡大もあって、ヲタク業界から離れつつあります;
好きな漫画家:渡瀬悠宇
好きな小説家:水野良 神坂一
好きなコンピュータゲーム:ぷよぷよ タクティクスオウガ
好きなTRPG:ガープス(3版) T&T(7版)
好きなプレイヤー:水野良 田中天
好きなデザイナー:清松みゆき 矢野俊策
好きな俳優:小田井涼平 小沢真珠
好きな声優:林原めぐみ 石田彰
好きなアニメ:機動戦士ガンダムシリーズ(宇宙世紀)
好きなマンガ:幽遊白書 櫻狩り
カテゴリー
~あらまし~
AVRマイコンのプログラムスペースはせいぜい数十KBなんで、データロガーみたいな使い方には向いてない。一方で記録メディアとしてSDカードは不気味なほど安価になってきており、マイコンと接続してぶっ壊れても惜しくない値段になってきた。(昔512MBを数千円で買った希ガス)
せっかくなので今後のためにSDカードにデータを書込みするプログラムを自分でも確保しておくことにした。
とは言ってもSDカードの仕組みだかFATだかChaNさんのライブラリだかは全く分からんので、Togashiさんが作ったプログラムと回路図を参考(マルパクリとも言う)にしました。
あっちこっちのwebサイトを参考にさせてもらっております; 本当に感謝!
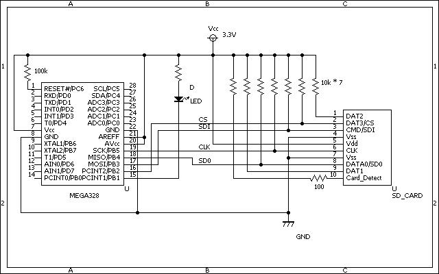
~回路~
SDカードのアダプタは持っているのですが、半田付けの失敗から来るエラーが怖いので秋月のSDカードモジュールを使用しました。そのためTogashiさんの回路図と若干異なります。

↑回路図

↑SDカードモジュール裏面
*DAT1とDAT2は通常オープンされていますが、裏面を見ると電源と接続可能になっているので抵抗を半田付けしてプルアップできます。サイズ的には表面実装抵抗が良いのでしょうが、なかったので10kの炭素抵抗で接続しました。
~プログラム~
マイコンをハードウェアリセットしてやると、LEDが点灯し、正常に書込みが終了するとLEDが消灯します。その他、何かしらのエラーがあるとLEDが独自の光り方をするので参考にしてください。
Togashiさんのプログラムを自分の環境で実行するといくつかのwarning(黄色信号)が出たので、エラー潰しを行いました。恐らくそのまま使っていても問題はないと思いますが、念のため。
以下にボクが改変したプログラムを掲載します。
ダウンロード pass: tiny2313
~結果~

0~9の値を100行書き込むプログラムを実行しています。ただしファイル名を「test.txt」にするとなぜか書込みできませんでした;
~まとめ~
さて、何に使おうかしらw
~主な参考~
自作電子小物/TIPS/簡易SDカードサポート/AVR
(http://www.suzume-syako.jp/personal/Tips/peji/Easy_SDcard_FAT_Library_for_AVR.html)
FatFs 汎用FATファイルシステム・モジュール
(http://elm-chan.org/fsw/ff/00index_j.html)
AVRマイコンのプログラムスペースはせいぜい数十KBなんで、データロガーみたいな使い方には向いてない。一方で記録メディアとしてSDカードは不気味なほど安価になってきており、マイコンと接続してぶっ壊れても惜しくない値段になってきた。(昔512MBを数千円で買った希ガス)
せっかくなので今後のためにSDカードにデータを書込みするプログラムを自分でも確保しておくことにした。
とは言ってもSDカードの仕組みだかFATだかChaNさんのライブラリだかは全く分からんので、Togashiさんが作ったプログラムと回路図を参考(マルパクリとも言う)にしました。
あっちこっちのwebサイトを参考にさせてもらっております; 本当に感謝!
~回路~
SDカードのアダプタは持っているのですが、半田付けの失敗から来るエラーが怖いので秋月のSDカードモジュールを使用しました。そのためTogashiさんの回路図と若干異なります。
↑回路図
↑SDカードモジュール裏面
*DAT1とDAT2は通常オープンされていますが、裏面を見ると電源と接続可能になっているので抵抗を半田付けしてプルアップできます。サイズ的には表面実装抵抗が良いのでしょうが、なかったので10kの炭素抵抗で接続しました。
~プログラム~
マイコンをハードウェアリセットしてやると、LEDが点灯し、正常に書込みが終了するとLEDが消灯します。その他、何かしらのエラーがあるとLEDが独自の光り方をするので参考にしてください。
Togashiさんのプログラムを自分の環境で実行するといくつかのwarning(黄色信号)が出たので、エラー潰しを行いました。恐らくそのまま使っていても問題はないと思いますが、念のため。
以下にボクが改変したプログラムを掲載します。
ダウンロード pass: tiny2313
~結果~
0~9の値を100行書き込むプログラムを実行しています。ただしファイル名を「test.txt」にするとなぜか書込みできませんでした;
~まとめ~
さて、何に使おうかしらw
~主な参考~
自作電子小物/TIPS/簡易SDカードサポート/AVR
(http://www.suzume-syako.jp/personal/Tips/peji/Easy_SDcard_FAT_Library_for_AVR.html)
FatFs 汎用FATファイルシステム・モジュール
(http://elm-chan.org/fsw/ff/00index_j.html)
PR
~あらまし~
昨年発売されたAVRマイコンTINY10は米粒と同じ程度の大きさでありながらADコンバータや16ビットタイマーを内蔵しており、電子工作の小型化に貢献できると考えられる。しかしながら書込み方式が有名なTINY2313やMEGA168と異なるため、工作のしきいを高くしているような希ガス。本記事ではwebで見つけた資料を参考にLEDをチカチカさせるテストをしてみたので詳細をうpする。

↑通称米粒AVRTINY10と有名なトランジスタc1815のサイズ比較
昨年発売されたAVRマイコンTINY10は米粒と同じ程度の大きさでありながらADコンバータや16ビットタイマーを内蔵しており、電子工作の小型化に貢献できると考えられる。しかしながら書込み方式が有名なTINY2313やMEGA168と異なるため、工作のしきいを高くしているような希ガス。本記事ではwebで見つけた資料を参考にLEDをチカチカさせるテストをしてみたので詳細をうpする。
↑通称米粒AVRTINY10と有名なトランジスタc1815のサイズ比較
~あらまし~
某所で「なかGさん頑張ったら緑川光の声に聞こえるよ(嘲笑)」と言われたので手軽に自分の声を録音・再生したくなった。
先日投降したRAVAに効果音ユニットを取り付けたくなったのでSEの録音・再生できるLSIの実験が必要になった。
aitendoで買ったISD1730は一見便利そうであるが、データシートに乗っている推奨回路は素子数が多く面倒くさい小型化が難しい。
そこでなるべくシンプルな回路構成でISD1730をスタンドアローンモードで使う方法を示す。ただし推奨される回路ではないので動作不良があっても知らん。←重要

ブレッドボードでの実験図
先日投降したRAVAに効果音ユニットを取り付けたくなったのでSEの録音・再生できるLSIの実験が必要になった。
aitendoで買ったISD1730は一見便利そうであるが、データシートに乗っている推奨回路は素子数が多く
そこでなるべくシンプルな回路構成でISD1730をスタンドアローンモードで使う方法を示す。ただし推奨される回路ではないので動作不良があっても知らん。←重要
ブレッドボードでの実験図
夏にXbeeの実験やっていた以来、電子工作関係の目新しい記事は書いていなかったわけですが、今年も電子工作コンテストに出展するために色々工作していました;
僕はどっちかというと技術力で勝負できる方ではないので、アイデア勝負する意気込みで逝きます。
~あらまし~
ご存知の通り、僕はガンダムとかマブラヴとか好きで、子供の頃からあの手のロボットを操縦したくて仕方なかったわけですが、仮に実在したとしてもレバーやらペダルは忙しいわ、見なきゃならん計器もいっぱいあって忙しいわけですよ。(シローとかエウレカの操縦スキル見てると眩暈がしてくるw)
なんで、どっちかというとエヴァとかジアースみたいな直観的に操作できるロボットの方が一般受けがいいんじゃないかなーと思ってロボットを開発してみました。(もちろんシンクロ率400%とか1回戦うごとに死亡したりはしません)ついでなので視覚で計器を見る負担を減らすために音声でパラメータを教えてくれるようにしました。
とりあえず格好付けのために英字名前が欲しくて、
The robot which controls by acceleration detection with a voice auxiliary(音声補助を備えた加速度検出によって制御するロボット)・・・頭文字をとってRAVAと名付けました。
僕はどっちかというと技術力で勝負できる方ではないので、アイデア勝負する意気込みで逝きます。
~あらまし~
ご存知の通り、僕はガンダムとかマブラヴとか好きで、子供の頃からあの手のロボットを操縦したくて仕方なかったわけですが、仮に実在したとしてもレバーやらペダルは忙しいわ、見なきゃならん計器もいっぱいあって忙しいわけですよ。(シローとかエウレカの操縦スキル見てると眩暈がしてくるw)
なんで、どっちかというとエヴァとかジアースみたいな直観的に操作できるロボットの方が一般受けがいいんじゃないかなーと思ってロボットを開発してみました。(もちろんシンクロ率400%とか1回戦うごとに死亡したりはしません)ついでなので視覚で計器を見る負担を減らすために音声でパラメータを教えてくれるようにしました。
とりあえず格好付けのために英字名前が欲しくて、
The robot which controls by acceleration detection with a voice auxiliary(音声補助を備えた加速度検出によって制御するロボット)・・・頭文字をとってRAVAと名付けました。
最近運動不足で身体がなまっているのを感じたのでチャリ漕いでゴバスショーを見てきた。
会場にはすでに多くの子供達と付添の大人達・・・
そして後ろの方に大きなお友達が!!
嗚呼、某俺の生徒の未来の姿か・・・と感傷に浸りましたとさ。
ショー自体はよくあるまったり展開のヒーローショーでしたが・・・
なぜかリュウさんいきなり熱暴走で現場に来れないという謎展開。
司会のお姉さんが台詞忘れる。
ジンさんが教訓めいた発言する。
等のトラブルがありました。
樹液とジンさんの絡みが妙に多く、30分足らずのショーで4~5回「俺より目立つな」系ネタやってますた。
たまにああいう程度の低い(でも楽しめる)芝居を見るのも気晴らしには良いものです。
アンプのゲインもっとしぼれよ(ぼそ



会場にはすでに多くの子供達と付添の大人達・・・
そして後ろの方に大きなお友達が!!
嗚呼、某俺の生徒の未来の姿か・・・と感傷に浸りましたとさ。
ショー自体はよくあるまったり展開のヒーローショーでしたが・・・
なぜかリュウさんいきなり熱暴走で現場に来れないという謎展開。
司会のお姉さんが台詞忘れる。
ジンさんが教訓めいた発言する。
等のトラブルがありました。
樹液とジンさんの絡みが妙に多く、30分足らずのショーで4~5回「俺より目立つな」系ネタやってますた。
たまにああいう程度の低い(でも楽しめる)芝居を見るのも気晴らしには良いものです。
お知らせ
なかGカウンター
ブログ内検索
最新コメント
[04/29 mexSek]
[04/02 Charleskr]
[02/24 raishioms]
最新トラックバック
忍者アナライズ
