電子工作のネタとオタ話が中心。けっこういい加減に設計したり回路図描いたりするので、情報を鵜呑みしてICが焼けたりしても責任持ちませんw ときどき腐った発言します。
Twitter
プロフィール
HN:
なかG
年齢:
37
HP:
性別:
非公開
誕生日:
1988/07/03
職業:
愛の戦士
趣味:
TRPG ぬるヲタ業 読書
自己紹介:
TRPGと2次元の世界を愛する大学2年生、14歳です(ぇ
とは言っても最近は忙しさと萌えカルチャーの拡大もあって、ヲタク業界から離れつつあります;
好きな漫画家:渡瀬悠宇
好きな小説家:水野良 神坂一
好きなコンピュータゲーム:ぷよぷよ タクティクスオウガ
好きなTRPG:ガープス(3版) T&T(7版)
好きなプレイヤー:水野良 田中天
好きなデザイナー:清松みゆき 矢野俊策
好きな俳優:小田井涼平 小沢真珠
好きな声優:林原めぐみ 石田彰
好きなアニメ:機動戦士ガンダムシリーズ(宇宙世紀)
好きなマンガ:幽遊白書 櫻狩り
とは言っても最近は忙しさと萌えカルチャーの拡大もあって、ヲタク業界から離れつつあります;
好きな漫画家:渡瀬悠宇
好きな小説家:水野良 神坂一
好きなコンピュータゲーム:ぷよぷよ タクティクスオウガ
好きなTRPG:ガープス(3版) T&T(7版)
好きなプレイヤー:水野良 田中天
好きなデザイナー:清松みゆき 矢野俊策
好きな俳優:小田井涼平 小沢真珠
好きな声優:林原めぐみ 石田彰
好きなアニメ:機動戦士ガンダムシリーズ(宇宙世紀)
好きなマンガ:幽遊白書 櫻狩り
カテゴリー
とりあえず1個内定出たお。
あとキャッツアイの長女が可愛くて生きていくのがつらい。
~あらまし~
去年悪ノリで電子野球盤なるものを研究室で作ったわけだが、どういうわけだかうまく動作しない。一応ブレッドボード上で動くことは確認できているので、恐らく回路の半田付け不良が原因と思われる。というのも、膨大(というほどでもないかもしれんが。)な数の配線とトランジスタによる論理圧縮回路を空中配線したので後半になってくるとどことどこが繋がっているのやら(ry (以下愚痴が続く・・・)
で。配線をすっきりさせて制作の効率をよくするために装置の中心になるAVRマイコンを2つに増やし、2線シリアル通信することで、仕事と配線を2つに分けることを提案。
ANDとかNANDが手元にあればごにょごにょ・・・。
~理論~
I2Cについては各自ググってください(ぁ
I2Cはオープンドレインな2本の配線で複数のマイコン(や対応したデバイスの類)間でデータのやり取りができる方式です。
AVRにはデフォでこの機能がついてたりするので、必要なら使うと良いよ。
あとキャッツアイの長女が可愛くて生きていくのがつらい。
~あらまし~
去年悪ノリで電子野球盤なるものを研究室で作ったわけだが、どういうわけだかうまく動作しない。一応ブレッドボード上で動くことは確認できているので、恐らく回路の半田付け不良が原因と思われる。というのも、膨大(というほどでもないかもしれんが。)な数の配線とトランジスタによる論理圧縮回路を空中配線したので後半になってくるとどことどこが繋がっているのやら(ry (以下愚痴が続く・・・)
で。配線をすっきりさせて制作の効率をよくするために装置の中心になるAVRマイコンを2つに増やし、2線シリアル通信することで、仕事と配線を2つに分けることを提案。
ANDとかNANDが手元にあればごにょごにょ・・・。
~理論~
I2Cについては各自ググってください(ぁ
I2Cはオープンドレインな2本の配線で複数のマイコン(や対応したデバイスの類)間でデータのやり取りができる方式です。
AVRにはデフォでこの機能がついてたりするので、必要なら使うと良いよ。
~制作~
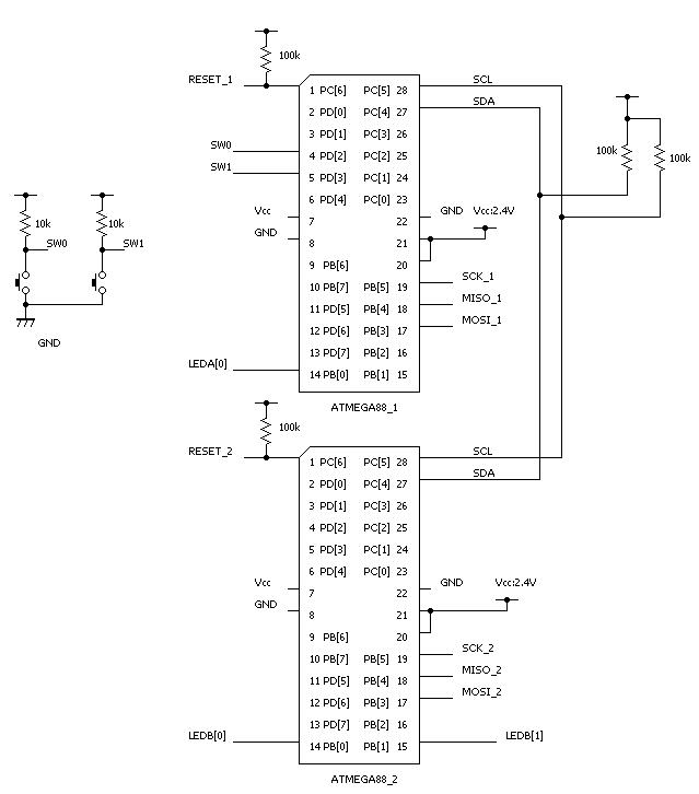
実験のためにいちいちブレッドボードの配線をやり直したり、マイコンを抜き差しするのが面倒だったので実験ボードを作った。

↑回路図 LEDにつける抵抗は100~1kΩくらいで良いんでね?

↑完成品 1回配線ミスってマイコンお亡くなりになったorz
回路図とプログラムはこちら
~実験~
上のプログラムをマイコンに書き込み実験。
1.送信マイコンのLED消灯。受信マイコンのLED0が点灯。
↓SW1またはSW2を押す
2.受信マイコンのLEDが「HH(SW1)」「LL(SW2)」の反応を示す。
送信マイコンのLED点灯。
↓約1秒経過
3.送信マイコンのLED消灯。受信マイコンのLED1が点灯。
*注意事項*
コンパイラの仕様によりforやwhileの空ループがスルーされることがあります。
動作がおかしいときは圧縮レベルを下げてみてください。
参考:http://mycomputer.cqpub.co.jp/avr02/
~まとめ~
人間の目で追う程度には十分の動作速度を確認。
INT0、INT1の割り込み設定にも対応できる。
電子野球盤2ではマイコン1で主な動作を担当し、マイコン2でLCDやボールカウントやベースの静的なLEDの制御をしてはどうか?
実験のためにいちいちブレッドボードの配線をやり直したり、マイコンを抜き差しするのが面倒だったので実験ボードを作った。
↑回路図 LEDにつける抵抗は100~1kΩくらいで良いんでね?
↑完成品 1回配線ミスってマイコンお亡くなりになったorz
回路図とプログラムはこちら
~実験~
上のプログラムをマイコンに書き込み実験。
1.送信マイコンのLED消灯。受信マイコンのLED0が点灯。
↓SW1またはSW2を押す
2.受信マイコンのLEDが「HH(SW1)」「LL(SW2)」の反応を示す。
送信マイコンのLED点灯。
↓約1秒経過
3.送信マイコンのLED消灯。受信マイコンのLED1が点灯。
*注意事項*
コンパイラの仕様によりforやwhileの空ループがスルーされることがあります。
動作がおかしいときは圧縮レベルを下げてみてください。
参考:http://mycomputer.cqpub.co.jp/avr02/
~まとめ~
人間の目で追う程度には十分の動作速度を確認。
INT0、INT1の割り込み設定にも対応できる。
電子野球盤2ではマイコン1で主な動作を担当し、マイコン2でLCDやボールカウントやベースの静的なLEDの制御をしてはどうか?
PR
Comment
この記事にコメントする
お知らせ
なかGカウンター
ブログ内検索
最新コメント
[04/29 mexSek]
[04/02 Charleskr]
[02/24 raishioms]
最新トラックバック
忍者アナライズ