電子工作のネタとオタ話が中心。けっこういい加減に設計したり回路図描いたりするので、情報を鵜呑みしてICが焼けたりしても責任持ちませんw ときどき腐った発言します。
Twitter
プロフィール
HN:
なかG
年齢:
37
HP:
性別:
非公開
誕生日:
1988/07/03
職業:
愛の戦士
趣味:
TRPG ぬるヲタ業 読書
自己紹介:
TRPGと2次元の世界を愛する大学2年生、14歳です(ぇ
とは言っても最近は忙しさと萌えカルチャーの拡大もあって、ヲタク業界から離れつつあります;
好きな漫画家:渡瀬悠宇
好きな小説家:水野良 神坂一
好きなコンピュータゲーム:ぷよぷよ タクティクスオウガ
好きなTRPG:ガープス(3版) T&T(7版)
好きなプレイヤー:水野良 田中天
好きなデザイナー:清松みゆき 矢野俊策
好きな俳優:小田井涼平 小沢真珠
好きな声優:林原めぐみ 石田彰
好きなアニメ:機動戦士ガンダムシリーズ(宇宙世紀)
好きなマンガ:幽遊白書 櫻狩り
とは言っても最近は忙しさと萌えカルチャーの拡大もあって、ヲタク業界から離れつつあります;
好きな漫画家:渡瀬悠宇
好きな小説家:水野良 神坂一
好きなコンピュータゲーム:ぷよぷよ タクティクスオウガ
好きなTRPG:ガープス(3版) T&T(7版)
好きなプレイヤー:水野良 田中天
好きなデザイナー:清松みゆき 矢野俊策
好きな俳優:小田井涼平 小沢真珠
好きな声優:林原めぐみ 石田彰
好きなアニメ:機動戦士ガンダムシリーズ(宇宙世紀)
好きなマンガ:幽遊白書 櫻狩り
カテゴリー
~あらまし~
こないだ東京逝ったときにATTINY85-20PUがそこそこ安くなってるのに気がついたのでchanさんのwaveプレイヤー(モノラル版)を再現してみた。
ついでなのでchanさんのところでは言及されていないISP mkIIで書込みを行う際の設定項目等を解説する。
こないだ東京逝ったときにATTINY85-20PUがそこそこ安くなってるのに気がついたのでchanさんのwaveプレイヤー(モノラル版)を再現してみた。
ついでなのでchanさんのところでは言及されていないISP mkIIで書込みを行う際の設定項目等を解説する。
~ハードウェア~
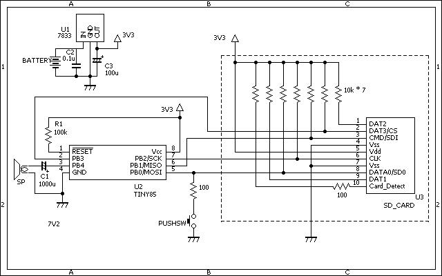
chanさんのプレイヤーはマイクロSDカードを使ってるのに対して、僕は通常サイズのSDカードを使用する。毎度おなじみ秋月のSDカードモジュールの出番。この製品はモジュール化された際に10kのプルアップ抵抗が組み込まれてるので、そこも念頭に置くとこんな感じの回路図になる。詳しくは秋月で配布されているデータシート参照。

実験した回路図
~ソフトウェア~
1.chanさんのところからファームウェアをダウンロードし、「sd8p_mo.hex」ファイルをエディタで開く。
2.該当箇所を削除する。具体的には左図で記されてる2行を削除して右図のようにする。

3.通常通りにISPケーブルを接続し、ヒューズビットのhigh、low、extをchanさんの指定通りに上書きする。修正した「sd8p_mo.hex」をフラッシュに書き込む。

~実験結果~
けっこうブチブチする感じだけどsdカードのwavファイルの再生を確認。sdカードの読込に電力をとられるのでエネループ等で駆動しようとすると電池がたくさんいるwww
元の資料を見るところ、アルカリ電池2本で3V駆動もできる模様。

~参考~
8ピンICで作る SDオーディオ・プレーヤ(http://elm-chan.org/works/sd8p/report_j.html)
chanさんのプレイヤーはマイクロSDカードを使ってるのに対して、僕は通常サイズのSDカードを使用する。毎度おなじみ秋月のSDカードモジュールの出番。この製品はモジュール化された際に10kのプルアップ抵抗が組み込まれてるので、そこも念頭に置くとこんな感じの回路図になる。詳しくは秋月で配布されているデータシート参照。
実験した回路図
~ソフトウェア~
1.chanさんのところからファームウェアをダウンロードし、「sd8p_mo.hex」ファイルをエディタで開く。
2.該当箇所を削除する。具体的には左図で記されてる2行を削除して右図のようにする。
3.通常通りにISPケーブルを接続し、ヒューズビットのhigh、low、extをchanさんの指定通りに上書きする。修正した「sd8p_mo.hex」をフラッシュに書き込む。
~実験結果~
けっこうブチブチする感じだけどsdカードのwavファイルの再生を確認。sdカードの読込に電力をとられるのでエネループ等で駆動しようとすると電池がたくさんいるwww
元の資料を見るところ、アルカリ電池2本で3V駆動もできる模様。
~参考~
8ピンICで作る SDオーディオ・プレーヤ(http://elm-chan.org/works/sd8p/report_j.html)
PR
Comment
この記事にコメントする
お知らせ
なかGカウンター
ブログ内検索
最新コメント
[04/29 mexSek]
[04/02 Charleskr]
[02/24 raishioms]
最新トラックバック
忍者アナライズ
