電子工作のネタとオタ話が中心。けっこういい加減に設計したり回路図描いたりするので、情報を鵜呑みしてICが焼けたりしても責任持ちませんw ときどき腐った発言します。
Twitter
プロフィール
HN:
なかG
年齢:
37
HP:
性別:
非公開
誕生日:
1988/07/03
職業:
愛の戦士
趣味:
TRPG ぬるヲタ業 読書
自己紹介:
TRPGと2次元の世界を愛する大学2年生、14歳です(ぇ
とは言っても最近は忙しさと萌えカルチャーの拡大もあって、ヲタク業界から離れつつあります;
好きな漫画家:渡瀬悠宇
好きな小説家:水野良 神坂一
好きなコンピュータゲーム:ぷよぷよ タクティクスオウガ
好きなTRPG:ガープス(3版) T&T(7版)
好きなプレイヤー:水野良 田中天
好きなデザイナー:清松みゆき 矢野俊策
好きな俳優:小田井涼平 小沢真珠
好きな声優:林原めぐみ 石田彰
好きなアニメ:機動戦士ガンダムシリーズ(宇宙世紀)
好きなマンガ:幽遊白書 櫻狩り
とは言っても最近は忙しさと萌えカルチャーの拡大もあって、ヲタク業界から離れつつあります;
好きな漫画家:渡瀬悠宇
好きな小説家:水野良 神坂一
好きなコンピュータゲーム:ぷよぷよ タクティクスオウガ
好きなTRPG:ガープス(3版) T&T(7版)
好きなプレイヤー:水野良 田中天
好きなデザイナー:清松みゆき 矢野俊策
好きな俳優:小田井涼平 小沢真珠
好きな声優:林原めぐみ 石田彰
好きなアニメ:機動戦士ガンダムシリーズ(宇宙世紀)
好きなマンガ:幽遊白書 櫻狩り
カテゴリー
~あらまし~
AVRマイコンのプログラムスペースはせいぜい数十KBなんで、データロガーみたいな使い方には向いてない。一方で記録メディアとしてSDカードは不気味なほど安価になってきており、マイコンと接続してぶっ壊れても惜しくない値段になってきた。(昔512MBを数千円で買った希ガス)
せっかくなので今後のためにSDカードにデータを書込みするプログラムを自分でも確保しておくことにした。
とは言ってもSDカードの仕組みだかFATだかChaNさんのライブラリだかは全く分からんので、Togashiさんが作ったプログラムと回路図を参考(マルパクリとも言う)にしました。
あっちこっちのwebサイトを参考にさせてもらっております; 本当に感謝!
~回路~
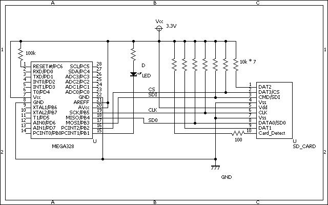
SDカードのアダプタは持っているのですが、半田付けの失敗から来るエラーが怖いので秋月のSDカードモジュールを使用しました。そのためTogashiさんの回路図と若干異なります。

↑回路図

↑SDカードモジュール裏面
*DAT1とDAT2は通常オープンされていますが、裏面を見ると電源と接続可能になっているので抵抗を半田付けしてプルアップできます。サイズ的には表面実装抵抗が良いのでしょうが、なかったので10kの炭素抵抗で接続しました。
~プログラム~
マイコンをハードウェアリセットしてやると、LEDが点灯し、正常に書込みが終了するとLEDが消灯します。その他、何かしらのエラーがあるとLEDが独自の光り方をするので参考にしてください。
Togashiさんのプログラムを自分の環境で実行するといくつかのwarning(黄色信号)が出たので、エラー潰しを行いました。恐らくそのまま使っていても問題はないと思いますが、念のため。
以下にボクが改変したプログラムを掲載します。
ダウンロード pass: tiny2313
~結果~

0~9の値を100行書き込むプログラムを実行しています。ただしファイル名を「test.txt」にするとなぜか書込みできませんでした;
~まとめ~
さて、何に使おうかしらw
~主な参考~
自作電子小物/TIPS/簡易SDカードサポート/AVR
(http://www.suzume-syako.jp/personal/Tips/peji/Easy_SDcard_FAT_Library_for_AVR.html)
FatFs 汎用FATファイルシステム・モジュール
(http://elm-chan.org/fsw/ff/00index_j.html)
AVRマイコンのプログラムスペースはせいぜい数十KBなんで、データロガーみたいな使い方には向いてない。一方で記録メディアとしてSDカードは不気味なほど安価になってきており、マイコンと接続してぶっ壊れても惜しくない値段になってきた。(昔512MBを数千円で買った希ガス)
せっかくなので今後のためにSDカードにデータを書込みするプログラムを自分でも確保しておくことにした。
とは言ってもSDカードの仕組みだかFATだかChaNさんのライブラリだかは全く分からんので、Togashiさんが作ったプログラムと回路図を参考(マルパクリとも言う)にしました。
あっちこっちのwebサイトを参考にさせてもらっております; 本当に感謝!
~回路~
SDカードのアダプタは持っているのですが、半田付けの失敗から来るエラーが怖いので秋月のSDカードモジュールを使用しました。そのためTogashiさんの回路図と若干異なります。
↑回路図
↑SDカードモジュール裏面
*DAT1とDAT2は通常オープンされていますが、裏面を見ると電源と接続可能になっているので抵抗を半田付けしてプルアップできます。サイズ的には表面実装抵抗が良いのでしょうが、なかったので10kの炭素抵抗で接続しました。
~プログラム~
マイコンをハードウェアリセットしてやると、LEDが点灯し、正常に書込みが終了するとLEDが消灯します。その他、何かしらのエラーがあるとLEDが独自の光り方をするので参考にしてください。
Togashiさんのプログラムを自分の環境で実行するといくつかのwarning(黄色信号)が出たので、エラー潰しを行いました。恐らくそのまま使っていても問題はないと思いますが、念のため。
以下にボクが改変したプログラムを掲載します。
ダウンロード pass: tiny2313
~結果~
0~9の値を100行書き込むプログラムを実行しています。ただしファイル名を「test.txt」にするとなぜか書込みできませんでした;
~まとめ~
さて、何に使おうかしらw
~主な参考~
自作電子小物/TIPS/簡易SDカードサポート/AVR
(http://www.suzume-syako.jp/personal/Tips/peji/Easy_SDcard_FAT_Library_for_AVR.html)
FatFs 汎用FATファイルシステム・モジュール
(http://elm-chan.org/fsw/ff/00index_j.html)
PR
Comment
この記事にコメントする
お知らせ
なかGカウンター
ブログ内検索
最新コメント
[04/29 mexSek]
[04/02 Charleskr]
[02/24 raishioms]
最新トラックバック
忍者アナライズ
