電子工作のネタとオタ話が中心。けっこういい加減に設計したり回路図描いたりするので、情報を鵜呑みしてICが焼けたりしても責任持ちませんw ときどき腐った発言します。
Twitter
プロフィール
HN:
なかG
年齢:
37
HP:
性別:
非公開
誕生日:
1988/07/03
職業:
愛の戦士
趣味:
TRPG ぬるヲタ業 読書
自己紹介:
TRPGと2次元の世界を愛する大学2年生、14歳です(ぇ
とは言っても最近は忙しさと萌えカルチャーの拡大もあって、ヲタク業界から離れつつあります;
好きな漫画家:渡瀬悠宇
好きな小説家:水野良 神坂一
好きなコンピュータゲーム:ぷよぷよ タクティクスオウガ
好きなTRPG:ガープス(3版) T&T(7版)
好きなプレイヤー:水野良 田中天
好きなデザイナー:清松みゆき 矢野俊策
好きな俳優:小田井涼平 小沢真珠
好きな声優:林原めぐみ 石田彰
好きなアニメ:機動戦士ガンダムシリーズ(宇宙世紀)
好きなマンガ:幽遊白書 櫻狩り
とは言っても最近は忙しさと萌えカルチャーの拡大もあって、ヲタク業界から離れつつあります;
好きな漫画家:渡瀬悠宇
好きな小説家:水野良 神坂一
好きなコンピュータゲーム:ぷよぷよ タクティクスオウガ
好きなTRPG:ガープス(3版) T&T(7版)
好きなプレイヤー:水野良 田中天
好きなデザイナー:清松みゆき 矢野俊策
好きな俳優:小田井涼平 小沢真珠
好きな声優:林原めぐみ 石田彰
好きなアニメ:機動戦士ガンダムシリーズ(宇宙世紀)
好きなマンガ:幽遊白書 櫻狩り
カテゴリー
~あらまし~
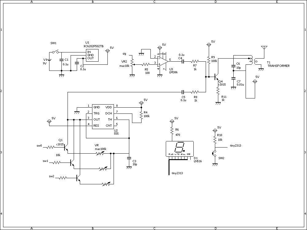
以前ブレッドボード上でAMのトランスミッタを作ってラジオで受信する実験を行ったわけだが、じつはこれは通信の実験にいろいろ活用したいのでモジュール化するすることになった。その際に搬送波をクリスタルオシレータから安価な555に変更し、ついでなので複数の周波数を搬送波として選択できるように変更した。
~理論~
信号波→20倍アンプ(LM386)→AM変調→トランス→アンテナ
搬送波(LMC555)_↑

cadで描くのが面倒だったので省略したが、555に接続した3つのトランジスタのON/OFFと、7segLEDのON/OFFはattiny2313で制御している。
555は可変抵抗とC3の素子値で約50%のデューティの発振を行う。
よってトランジスタ3つのスイッチON/OFFによって、複数の周波数を選択できる。ただし選択可能な周波数が全て実用的かどうかは知らんw
僕はとりあえず0k(発振停止)、1200k、1000k、800k程度になるように調整して実験している。
~実験~

↑ch3の周波数で電波を飛ばしている図
とりあえず携帯電話と接続してラジオで受信してみる。
雑音も多く、しばしば「ぴー」と不快な音も入るが、まあ、音楽を楽しめる程度ではある。…もとより音質は気にしていない(ぼそ
ブレッドボードの時より安定しているように思えるけど、周波数合わせがけっこうタイトだったりする。あといろいろ欲張りすぎたのでケースに電池が収まらなかったwww
とりあえず近距離の通信の実験用としては十分か?
なんやかんやで気に食わなかったらバージョン2を作るかもしれない。
以前ブレッドボード上でAMのトランスミッタを作ってラジオで受信する実験を行ったわけだが、じつはこれは通信の実験にいろいろ活用したいのでモジュール化するすることになった。その際に搬送波をクリスタルオシレータから安価な555に変更し、ついでなので複数の周波数を搬送波として選択できるように変更した。
~理論~
信号波→20倍アンプ(LM386)→AM変調→トランス→アンテナ
搬送波(LMC555)_↑
cadで描くのが面倒だったので省略したが、555に接続した3つのトランジスタのON/OFFと、7segLEDのON/OFFはattiny2313で制御している。
555は可変抵抗とC3の素子値で約50%のデューティの発振を行う。
よってトランジスタ3つのスイッチON/OFFによって、複数の周波数を選択できる。ただし選択可能な周波数が全て実用的かどうかは知らんw
僕はとりあえず0k(発振停止)、1200k、1000k、800k程度になるように調整して実験している。
~実験~
↑ch3の周波数で電波を飛ばしている図
とりあえず携帯電話と接続してラジオで受信してみる。
雑音も多く、しばしば「ぴー」と不快な音も入るが、まあ、音楽を楽しめる程度ではある。…もとより音質は気にしていない(ぼそ
ブレッドボードの時より安定しているように思えるけど、周波数合わせがけっこうタイトだったりする。あといろいろ欲張りすぎたのでケースに電池が収まらなかったwww
とりあえず近距離の通信の実験用としては十分か?
なんやかんやで気に食わなかったらバージョン2を作るかもしれない。
PR
主題歌が倖田來未なのがガチで最大の問題点だと思うのだが…
EDに栗林さん持ってきたいなら、OPはジャムプロジェクト(もしくはメンバーの個人)かグランロデオ(きーやんまじイケメソ)か美郷あきか…そのあたりのマブラヴ主題歌ってきた人達で良いと思うのです、うん。
きっと大人の事情があるのでしょう(遠い目
さっそくニコニコ動画でタグできてるやんwww
↓みんな同じ不満を抱えてるんだ(きり
EDに栗林さん持ってきたいなら、OPはジャムプロジェクト(もしくはメンバーの個人)かグランロデオ(きーやんまじイケメソ)か美郷あきか…そのあたりのマブラヴ主題歌ってきた人達で良いと思うのです、うん。
きっと大人の事情があるのでしょう(遠い目
さっそくニコニコ動画でタグできてるやんwww
↓みんな同じ不満を抱えてるんだ(きり
お知らせ
なかGカウンター
ブログ内検索
最新コメント
[04/29 mexSek]
[04/02 Charleskr]
[02/24 raishioms]
最新トラックバック
忍者アナライズ
